芯城品牌采购网 > 品牌资讯 > DRAM

国内最大DRAM厂商扭亏为盈-芯城品牌采购网

3月26日,受益于DRAM芯片市场持续供不应求及价格暴涨,中国大陆最大DRAM厂商长鑫科技,2025年营收预计翻倍增长至550亿元,净利预估达30亿元,完美契合此前发布的业绩指引,实现历史性扭亏为盈。长鑫科技招股书显示,此前公司业绩持续承压,2022年至2024年及2025年1-9月,营收分别为82.87亿元、90.87亿元、154.38亿元、320.84亿元;归母净利润则连续处于亏损状态,分别为

芯城品牌采购网

1750

融资25亿美元!南亚科技获巨头注资,加码DRAM供应-芯城品牌采购网

南亚科技通过股权出售与私募融资,成功筹集25亿美元资金,用于先进DRAM芯片产能扩张,同时与多家行业巨头达成深度绑定。日本存储大厂铠侠宣布,将向南亚科技投资4.9亿美元,认购约2%股份,这也是铠侠首次对外投资存储芯片企业。双方签订长期供货协议,未来南亚科技将稳定为铠侠供应DRAM芯片。美国存储厂商SanDisk同步跟进,向南亚科技投资310亿元新台币。SK海力士旗下Solidigm、思科系统也参与

芯城品牌采购网

10088

美光Q2净利暴涨7.7倍:DRAM涨65%,NAND涨80%-芯城品牌采购网

3月18日,美光公布2026财年第二财季财报,一组数据炸翻全场:营收238.6亿美元,同比暴涨196.4%;更夸张的是利润——GAAP净利润137.85亿美元,同比暴增770.8%。毛利率从去年同期的36.8%直接飙到74.4%,翻了一倍还多。业绩炸裂的背后,是存储芯片价格全线起飞。DRAM价格环比涨了约65%,NAND更是猛涨近80%。美光CFO直言,行业供应紧张叠加AI需求爆发,直接把价格推上

芯城品牌采购网

12512

南亚科技官宣:DRAM缺货涨价潮持续至2028年-芯城品牌采购网

DRAM大厂南亚科技重磅发声,明确表态DRAM缺货涨价潮将持续至2028年,叠加业绩的爆发式增长,再次印证存储行业高景气度仍在持续。3月3日,南亚科技披露2026年2月业绩,合并营收达新台币156.07亿元,同比暴涨586%,环比增长1.9%,实现连续四个月创历史新高。累计2026年1-2月,南亚科技合并营收达新台币309.17亿元,同比暴涨597%,亮眼业绩背后,是当前DRAM市场供不应求的火爆

芯城品牌采购网

10355

DRAM与NAND闪存价格同步飙升-芯城品牌采购网

存储芯片市场迎来“暴涨潮”,DRAMNAND闪存价格同步飙升,双双创下历史新高,延续此前的强势上涨态势,行业高景气度持续凸显,对下游终端产业链产生深远影响。据市场研究公司DRAMeXchange于2月27日发布的数据显示,2月份通用PCDRAM产品(DDR48Gb1Gx8)的平均固定交易价格达13.00美元,较上月的11.50美元上涨13.04%,这一价格创下自2016年6月该机构启动该项调查以

芯城品牌采购网

11150

SK明确否认:从未讨论在日本建DRAM内存晶圆厂-芯城品牌采购网

2月23日,据《日本经济新闻》当地时间20日报道,SK当日正式发声,态度坚决地表示,从未讨论过在日本建设DRAM内存晶圆厂,直接驳斥了近期流传的相关媒体传闻。值得一提的是,这并非“SK海力士或在日设厂”的传闻首次出现。早在2024年,类似提议就曾作为铠侠-西部数据拟议合并交易的一部分被提出,但SK海力士铠侠与西部数据的整合始终持强烈排斥态度,最终直接拒绝该提议,而这一拒绝也成为西部数据后续分拆的

芯城品牌采购网

11387

车用DRAM陷入紧缺危机,电动汽车成本面临飙升压力-芯城品牌采购网

据台媒《工商时报》最新报道,近期DDR4、DDR5报价急速攀升,成熟制程内存不仅未随世代更替走弱,反而出现“旧世代比新世代更贵”的异常现象。外资机构巴克莱在最新发布的车用半导体报告中发出警告:车用DRAM已出现供应缺口。巴克莱分析指出,全球DRAM短缺的根本原因在于AI数据中心对DRAM需求急剧上升,尤其是对HBM(高带宽内存)的需求爆发,迫使三星、SK海力士与美光三大内存厂商将产能优先转向高毛利

芯城品牌采购网

21301

南亚科技扭亏为盈,DRAM涨价助力利润大增-芯城品牌采购网

1月19日,DRAM大厂南亚科技公布2025年财报,受益于AI驱动下DRAM芯片持续供不应求、价格上涨,业绩迎来爆发式增长,四季度净利同比暴涨804.2%,全年业绩也实现扭亏为盈,盈利能力大幅修复。财报数据堪称亮眼,多项指标创佳绩。2025年四季度,南亚科技营收达新台币300.94亿元,环比大涨60.3%、同比暴涨357.7%;毛利润147.59亿元,环比、同比分别暴涨326%、2225%,毛利率

芯城品牌采购网

20076

美光18亿美元收购台湾晶圆厂,加速扩产DRAM-芯城品牌采购网

1月17日,美光科技与力积电联合官宣重磅合作:美光将以18亿美元现金收购力积电位于中国台湾苗栗县铜锣的P5晶圆厂厂房及厂务设施(不含生产设备),借现有产能载体加速扩充DRAM供给,同时开启双方长期技术协作篇章。此次收购核心资产为一座占地30万平方英尺的300毫米晶圆厂洁净室,毗邻美光台中工厂,可快速形成业务协同效应,助力美光应对全球DRAM供需缺口,强化存储解决方案供应能力。除资产收购外,双方还达

芯城品牌采购网

22762

内存缺货潮下的关键布局?DRAM良率大神陈正坤传重回力积电-芯城品牌采购网

全球内存市场结构性缺货潮来袭,晶圆代工厂力积电营运顺势回暖,存储器产能全面满载。在此行业风口下,半导体业界传出重磅消息:力积电董事长黄崇仁已找回昔日DRAM拉良率高手陈正坤重回公司担任顾问,为迎接行业高景气周期蓄力。不过,对于这一人事变动传闻,力积电方面态度低调,发言窗口已明确否认。陈正坤的履历堪称半导体业界的传奇篇章。这位1960年生于中国台湾的技术大咖,先后考入台湾清华大学,后赴美深造拿下加州

芯城品牌采购网

23736

谷歌微软赴韩疯抢DRAM,存储芯片开启“超级周期”-芯城品牌采购网

1月11日,全球存储芯片市场掀起“史上最强”涨价狂潮,DRAM价格持续飙升引发科技巨头抢货大战。据报道,谷歌微软、Meta等美国科技企业紧急派遣采购团队奔赴韩国,不计成本争夺紧缺DRAM货源,业内戏称这些扎堆抢货的团队为“DRAM乞丐团”。韩国板桥、平泽地区的酒店已被各大企业采购团队挤爆,他们每日往返三星、SK海力士总部洽谈合作,只为锁定货源。这两家韩国巨头合计掌控全球绝大部分DRAM供应链,成

芯城品牌采购网

26555

DRAMQ1暴涨60%,NAND涨幅超3成-芯城品牌采购网

研调机构TrendForce1月5日发布最新预测,2026年第一季度存储器价格将迎来“跳涨”,一般型DRAM合约价季增55-60%,NANDFlash各类产品合约价上涨33-38%,AI服务器的爆发式需求成为核心推手,供需缺口持续扩大。DRAM市场全面进入“高价时代”。原厂将先进制程与产能大量转向服务器、HBM等高毛利应用,以满足AI服务器需求,导致其他领域供给严重紧缩。其中服务器DRAM价格季涨

芯城品牌采购网

26647

据韩国媒体报道,全球两大存储芯片巨头三星电子与SK海力士已计划在本季度大幅上调服务器DRAM价格,涨幅预计达60%至70%。这一轮显著涨价,核心原因在于人工智能应用的爆发式增长,推动AI服务器需求快速攀升,促使主要芯片厂商将产能持续向利润更高的先进存储产品(如HBM)集中,传统DRAM等产品的产能因此被明显挤压,供需失衡不断加剧,最终引发价格快速上行。自去年以来,全球存储芯片市场的涨价趋势已愈发明

芯城品牌采购网

22575

募资295亿冲击科创板!长鑫科技引领国产DRAM突围-芯城品牌采购网

12月30日,国产DRAM龙头长鑫科技正式向上交所递交科创板招股书,拟募资295亿元,聚焦存储器晶圆制造量产线技术升级、DRAM技术迭代及前瞻技术研发,剑指全球市场更高份额。中金公司与中信建投担任此次IPO保荐机构。长期以来,DRAM市场被三星、SK海力士、美光三大巨头垄断,合计市占率超90%,我国本土自给率偏低。2016年成立的长鑫科技扛起国产替代大旗,突破关键核心技术并实现商业化量产,填补中国

芯城品牌采购网

30042

当前的内存危机已深刻影响PC行业各环节,多数PC厂商对内存短缺束手无策。为应对成本上升和供应紧张,不少厂商已被迫提高产品价格,而持续的内存短缺可能导致未来几年新产品上市延期。然而,有消息称,华硕计划通过自建DRAM生产线,主动应对内存供应问题。据报道,华硕可能最早在2026年大规模进军DRAM市场。若内存价格和供应难以恢复正常,华硕计划在2026年第二季度末前建立专门的DRAM生产线。目前业界普遍

芯城品牌采购网

24064

三星攻克10nm以下DRAM工艺-芯城品牌采购网

12月16日,三星电子与三星先进技术研究院在IEEE国际电子器件会议上重磅宣布,成功研发出10nm以下DRAM内存制造技术,为AI、数据中心等高算力场景的存储需求突破提供了核心支撑,再度刷新行业技术天花板。此次突破的核心在于创新的单元-外围电路(CoP)架构。不同于传统技术将外围晶体管置于存储单元下方的设计,三星采用存储单元堆叠在了你外围电路之上的全新方案,从根源上解决了传统架构中晶体管在高温堆叠

芯城品牌采购网

27373

据报道,SK海力士会长崔泰源近日在一场半导体行业论坛上表示,公司正加速调整韩国利川M15与M16晶圆厂的产线配置,预计到2026年,标准型DRAM产能将较今年提升超过10%,以应对市场供需失衡问题。随着人工智能(AI)应用快速普及,全球DRAM市场正面临前所未有的供应紧张局面。由于面向AI的内存产品利润率更高,主要存储晶圆厂纷纷将产能转向高附加值产品,如HBM、GDDR及DDR5等,挤压了消费级标

芯城品牌采购网

30828

三星调整存储战略!加码DRAM暂缓HBM-芯城品牌采购网

存储市场格局生变。11月19日,据行业消息披露,三星电子正对存储业务进行重大战略转向:在DRAM价格两个月暴涨60%的红利期,全力加码通用型DRAM产能以抢占利润高地,同时暂缓高带宽存储器(HBM)的扩张计划。这一“弃长就短”的决策,直指“盈利最大化”的核心目标。当前DRAM市场的火爆行情,成为三星战略倾斜的直接诱因。DDR5、LPDDR5X、GDDR7等主流产品价格持续攀升,以三星32GBDDR

芯城品牌采购网

36555

三星电子与SK海力士计划在第四季度将DRAMNAND闪存价格上调高达30%。投行预测DRAM平均售价将上涨25-26%。这一趋势由谷歌、微软等科技公司对AI数据中心的大量投资驱动。预计到2030年,HBM市场规模将突破1000亿美元,新一代HBM4价格较当前产品高出60%。  行业预计DRAMNAND价格上涨趋势将延续至2026年,花旗预测DRAM同比上涨37%,NAND同比上涨39%。为应对

芯城品牌采购网

34971

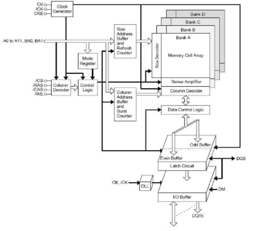
DDRSDRAM-芯城品牌采购网

DDRSDRAM简介DDR内存是更先进的SDRAMSDRAM只在时钟周期的上升沿传输指令、地址和数据。而DDR内存的数据线有特殊的电路,可以让它在时钟的上、下沿都传输数据。所以DDR在每个时钟周期可以传输两个数据,而SDRAM只能传输一个数据。举例来说,DDR266能提供266MHz×2×4B=2.1GB/s的内存带宽。另外,由于它是基于SDRAM的设计制造技术,因此厂房、流水线等设备的更新成本

芯城品牌采购网

30096

Dram芯片类型DRAM分为很多种,常见的主要有FPRAM/FastPage、EDORAM、SDRAM、DDRRAM、RDRAM、SGRAM以及WRAM等,这里介绍其中的一种DDRRAM。DDRRAM(Date-RateRAM)也称作DDRSDRAM,这种改进型的RAM和SDRAM是基本一样的,不同之处在于它可以在一个时钟读写两次数据,这样就使得数据传输速度加倍了。这是目前电脑中用得最多的内存,而

芯城品牌采购网

25722

DRAM简介动态随机存取存储器(DynamicRandomAccessMemory,DRAM)是一种半导体存储器,主要的作用原理是利用电容内存储电荷的多寡来代表一个二进制比特(bit)是1还是0。由于在现实中晶体管会有漏电电流的现象,导致电容上所存储的电荷数量并不足以正确的判别数据,而导致数据毁损。因此对于DRAM来说,周期性地充电是一个无可避免的要件。由于这种需要定时刷新的特性,因此被称为“动态

芯城品牌采购网

26355

12月5日,DRAM大厂南亚科发布公告11月自结合并营收为新台币27.71亿元,较上月减少0.40%,较去年同期减少61.81%。累计合并营收为新台币545.52亿元,较去年同期减少30.65%。据TrendForce集邦咨询11月16日研究显示,南亚科(Nanya)因consumerDRAM产品比重高,第三季营收衰退达40.8%,衰退幅度为第三季前六大业者最甚。南亚科已于第四季小幅减少投片,但转

芯城品牌采购网

23815

根据TrendForce集邦咨询最新调查表示,疫情后紧张的物料情况已于今年下半年改善,短料的供货交期显著恢复。然而在物料供给无虞,需求可被满足的情况下,2023年的服务器整机出货量年成长预估仅3.7%,低于2022年的5.1%。TrendForce集邦咨询表示,成长趋缓受三大因素影响,其一,长短料问题纾缓后,买方同时也在调节过往的超额订单,故ODM订单也减少,但暂不至于影响2022年服务器整机出货

芯城品牌采购网

26291

当地时间11月1日,美光宣布正在向选定的智能手机制造商和芯片组运送其1βDRAM技术的合格样品合作伙伴,并已通过世界上最先进的DRAM技术节点实现了量产准备。据官方介绍,美光于2021年实现1αLPDDR5XDRAM批量出货,此次新的1β制程DRAM比1α制程DRAM功率效率提高15%,每区储存的位元数也增加35%。美光表示,随着LPDDR5X的出样,移动产品将率先从1βDRAM的提升中获益,提升

芯城品牌采购网

25584

当地时间11月1日,美光宣布正在向选定的智能手机制造商和芯片组运送其1βDRAM技术的合格样品合作伙伴,并已通过世界上最先进的DRAM技术节点实现了量产准备。据官方介绍,美光于2021年实现1αLPDDR5XDRAM批量出货,此次新的1β制程DRAM比1α制程DRAM功率效率提高15%,每区储存的位元数也增加35%。美光表示,随着LPDDR5X的出样,移动产品将率先从1βDRAM的提升中获益,提升

芯城品牌采购网

26086

据韩媒首尔经济日报引述产业人士消息,尽管全球经济减缓,但三星电子明年仍将扩大DRAM与晶圆代工的晶圆产能,并且新增多台EUV极紫外光微影曝光设备。DRAM方面,三星计划扩增其位于韩国平泽P3晶圆厂的DRAM产能。目前,三星P3厂DRAM产线的月产能为2万片12英寸晶圆,而三星计划通过扩增DRAM设备,将该厂的DRAM产能每月增加至7万片12英寸晶圆。不久前,三星宣布推出了业界最先进12纳米级高性能

芯城品牌采购网

29280

天气恶劣致美光DRAM工厂停电、瑞萨MCU厂停工-芯城品牌采购网

近日,日本今年第4号台风“艾利”在日本长崎县佐世保市附近登陆,影响了多家日本半导体工厂的生产和运营。美光日本厂停电,预估受影响产能规模有限昨天,美光披露,其位于日本广岛的DRAM制造厂于2022年7月8日突发停电,目前正在评估对近期供应的影响。据TrendForce集邦咨询的最新研报,美光此次突发停电预估受影响产能规模有限。TrendForce指出,以全球产能来看,该厂投片占比则约7%。主要投产制

芯城品牌采购网

28657